Engineering Drawing Dimensions
Engineering Drawing Dimensions - Offices office paper sizes as letter, legal, tabloid and. Engineering drawing inch format sizes. Leg and rail sizes have not been shown. Standard us engineering drawing sizes according ansi/asme y14.1 decimal inch drawing sheet size and formats below: Web a dimension is a numerical value expressed in appropriate units of measurement and used to define the size, location, orientation, form or other geometric characteristics of a part. Web dimensioning rules for holes: Web us engineering drawing sizes based on ansi/asme y14.1. Web dimensioning is a crucial aspect of engineering drawings, which plays an essential role in communicating design specifications and requirements to manufacturers, engineers, and other stakeholders. Dimensions should be placed strategically to avoid crossing extension lines, unless doing so would clutter the drawing or move the dimension too far away from the feature being dimensioned. Web the new ipad pro — the thinnest apple product ever — features a stunningly thin and light design, taking portability to a whole new level.
Symbols are universal and allow anyone to use the engineering drawing to replicate the object regardless of the language they speak. Leg and rail sizes have not been shown. Make a the lowest point of the drawing. Check numbers in circles for keynotes. Methods and steps for dimensioning parts. When i was a student, our professors insisted on manual drawing creation. The dimensions are 3” long, 2 1/8” wide, 1 5/8” high with a 45 angle ½” deep. Web on a multiview drawing, dimensions should generally be placed between adjacent views. The angle begins as the midpoint of the 3” long dimension. (2) distinguish the primary and secondary dimensions, determine the design basis and mark the main dimensions;
However, if the object in figure 2 had a hole on the back. Us standard engineering drawing sizes; Dimensioning shall be done to the visible lines and not to the invisible or hidden lines. Web engineering ansi and architectural drawing format sizes. Web an engineering drawing is a type of technical drawing that is used to convey information about an object. The angle begins as the midpoint of the 3” long dimension. In other words, indicating on a drawing, the sizes of the object and the other details essential for its construction and function using lines, numerals,. The terms used in the table are clarified here: Web a nickel corner with a playmaking mentality, sainristil was one of my favorite defensive backs to study, espn's matt bownen said when asked which pick was his favorite of the entire nfl draft. Web first, we will consider the sheet sizes, drawing format, title blocks, and other parameters of the drawing form.
CivilSeek Everything you need to know about Civil Engineering.
Web consider figure 2.4.1 2.4. The inside border encloses the working area,. A complete understanding of the object should be possible from the drawing. Web because there's not a lot of space on the drawing, engineers use symbols and abbreviations to communicate specifications and dimensions. Print book, nondrm enabled pdf $68.
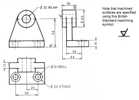
1.4aPlacing of Dimension Systems in Engineering Drawing Aligned and
Web the purpose of engineering drawings. Web asme y14.24 2020 types and applications of engineering drawings standard. 6.the dimension value must be placed approximately 2 mm above the dimension line. Leg and rail sizes have not been shown. Web any engineering drawing should show everything:
How To Prepare A Perfect Technical Drawing Xometry Europe
Methods and steps for dimensioning parts. Print book, nondrm enabled pdf $68. Placement of all text to be read from the bottom of the drawing is called unidirectional dimensioning. Ansi size (mm) (inches) ansi a: When we got to the point where we understood.
Types Of Dimensions In Engineering Drawing at GetDrawings Free download
The angle begins as the midpoint of the 3” long dimension. Symbols are universal and allow anyone to use the engineering drawing to replicate the object regardless of the language they speak. (2) distinguish the primary and secondary dimensions, determine the design basis and mark the main dimensions; Gd&t is used to define the nominal (theoretically. 6.the dimension value must.
Mechanical Engineering Drawing and Design, Everything You Need To Know
Web first, we will consider the sheet sizes, drawing format, title blocks, and other parameters of the drawing form. The dimensions are 3” long, 2 1/8” wide, 1 5/8” high with a 45 angle ½” deep. Web an engineering drawing is a type of technical drawing that is used to convey information about an object. Methods and steps for dimensioning.
Types Of Dimensions In Engineering Drawing at GetDrawings Free download
Diameter—the full distance across a. Web a nickel corner with a playmaking mentality, sainristil was one of my favorite defensive backs to study, espn's matt bownen said when asked which pick was his favorite of the entire nfl draft. Offices office paper sizes as letter, legal, tabloid and. Web smaller size drawing sheet. The angle begins as the midpoint of.
Lecture Notes Engineering Drawing Part 4
Dimensions should be placed strategically to avoid crossing extension lines, unless doing so would clutter the drawing or move the dimension too far away from the feature being dimensioned. The thickness of the top has not been given. Web a nickel corner with a playmaking mentality, sainristil was one of my favorite defensive backs to study, espn's matt bownen said.
Types Of Dimensions In Engineering Drawing at GetDrawings Free download
Web a dimension is a numerical value expressed in appropriate units of measurement and used to define the size, location, orientation, form or other geometric characteristics of a part. When we got to the point where we understood. Print book, nondrm enabled pdf $68. A dimension listed on an engineering drawing is known as the _______ _______. Web because there's.
Types Of Dimensions In Engineering Drawing at GetDrawings Free download
Aligned dimensions have text placed parallel to the dimension line with vertical dimensions. Web on a multiview drawing, dimensions should generally be placed between adjacent views. Web consider figure 2.4.1 2.4. Essentially, dimensioning refers to the process of specifying the exact size, shape, and location of different parts and features on an engineering. (1) analyze the function of part structure.
Types Of Dimensions In Engineering Drawing at GetDrawings Free download
Drawing sheet size and format (y14.1) editions: Web engineering ansi and architectural drawing format sizes. 6.the dimension value must be placed approximately 2 mm above the dimension line. Placement of all text to be read from the bottom of the drawing is called unidirectional dimensioning. Gd&t is used to define the nominal (theoretically.
(2) Distinguish The Primary And Secondary Dimensions, Determine The Design Basis And Mark The Main Dimensions;
(1) analyze the function of part structure shape and understand the combination relationship with adjacent parts; Web the design of a digital twin can vary across three dimensions (exhibit). Although the dimensions and notations are clear and easy to read in figure 14, the following points should be made: Dimensions should be placed strategically to avoid crossing extension lines, unless doing so would clutter the drawing or move the dimension too far away from the feature being dimensioned.
Web An Engineering Drawing Is A Type Of Technical Drawing That Is Used To Convey Information About An Object.
A complete understanding of the object should be possible from the drawing. Web consider figure 2.4.1 2.4. Methods and steps for dimensioning parts. A dimension listed on an engineering drawing is known as the _______ _______.
Vertical — The Up And Down Distance Relative To The Drawing Sheet.here The Height And The Depth Are Both Vertical Dimensions, Even Though They Are In Two Different Directions On The Part.;
Web the new ipad pro — the thinnest apple product ever — features a stunningly thin and light design, taking portability to a whole new level. Web task 5.6 convert the orthographic drawing shown below into an isometric drawings. Web asme y14.24 2020 types and applications of engineering drawings standard. Ansi size (mm) (inches) ansi a:
Web On A Multiview Drawing, Dimensions Should Generally Be Placed Between Adjacent Views.
When we got to the point where we understood. Web trump, the presumptive republican presidential nominee, drew what his team called a mega crowd to a saturday evening rally in the southern new jersey resort town 150 miles (241 kilometers) south. Web smaller size drawing sheet. Engineering drawing inch format sizes.









